锟斤拷锟絘(ch锟斤拷n)品锟斤拷途锟斤拷
H41H锟斤拷H41Y锟斤拷锟斤拷式止锟斤拷锟統系锟叫產(ch锟斤拷n)品锟斤拷锟絤锟斤拷锟斤拷水锟斤拷锟斤拷锟斤拷锟斤拷锟斤拷锟絯锟斤拷锟斤拷锟絞锟皆斤拷锟絴(zh锟斤拷)锟斤拷食品锟斤拷锟斤拷品锟斤拷藥品锟斤拷锟斤拷
锟斤拷锟絘(ch锟斤拷n)品锟斤拷锟絚锟斤拷
1锟斤拷锟統锟斤拷锟叫程僅锟斤拷锟統锟斤拷直锟斤拷锟斤拷1/3锟斤拷锟斤拷锟絧锟斤拷锟斤拷锟統锟斤拷锟絇(gu锟斤拷n)锟絔锟斤拷锟斤拷r锟絞锟斤拷锟斤拷效锟斤拷锟斤拷锟斤拷锟斤拷锟斤拷式止锟斤拷锟統锟斤拷水锟絅锟斤拷锟斤拷锟斤拷
2锟斤拷锟杰凤拷锟斤拷锟斤拷煤辖锟戒摶锟接诧拷|(zh锟斤拷)锟较斤拷锟斤拷锟杰封副锟斤拷锟斤拷锟戒對锟斤拷锟斤拷锟斤拷使锟矫夛拷锟斤拷锟絃锟斤拷
锟斤拷锟斤拷(zh锟斤拷)锟叫橈拷(bi锟斤拷o)锟斤拷(zh锟斤拷n)锟斤拷
锟絆(sh锟斤拷)計規(gu锟斤拷)锟斤拷锟斤拷 GB/T 12235 BS 1868
锟結(ji锟斤拷)锟斤拷(g锟斤拷u)锟絃锟饺o拷 GB/T 12221 ASME B16.10
锟斤拷锟絤锟紹锟接o拷 GB/T 9113 ASME B16.5
試锟斤拷c锟絲驗:GB/T 13927 API 598 API 6D
锟斤拷锟斤拷锟杰咃拷锟斤拷(sh锟斤拷)锟斤拷
| 锟斤拷號 | H41H | H41Y | H41F |
| 锟斤拷锟斤拷锟斤拷锟斤拷(MPa) | 1.6~10.0 (Calss150-Calss600) |
| 锟节忥拷(mm) | DN32-DN900 1-1/4锟斤拷-8锟斤拷 |
| 锟絤锟矫斤拷锟絴(zh锟斤拷) | 水锟斤拷锟斤拷锟斤拷锟斤拷锟斤拷锟斤拷锟斤拷類★拷锟斤拷锟斤拷類碉拷锟斤拷锟斤拷锟斤拷锟絴(zh锟斤拷) |
| 锟斤拷锟絰锟斤拷锟斤拷 | 锟統锟絯 | WCB CF8 CF8M 锟絫锟絝锟 锟酵滐拷锟 鎳合斤拷 Monel Duplex Steel |
| 锟統锟斤拷 | WCB CF8 CF8M 锟絫锟絝锟 锟酵滐拷锟 鎳合斤拷 Monel Duplex Steel |
| 锟統锟経 | 2Cr13 F304 F316锟絫锟絝锟 锟酵滐拷锟 鎳合斤拷 Monel |
| 锟杰凤拷锟斤拷 | 锟斤拷锟絇锟 司太锟斤拷锟较斤拷 碳锟斤拷锟絬 鎳合斤拷 Monel PTFE |
锟斤拷锟斤拷锟斤拷系锟斤拷(sh锟斤拷)锟斤拷
| 規(gu锟斤拷)锟斤拷(DN) | 80 | 100 | 125 | 150 | 200 |
| 锟斤拷锟斤拷系锟斤拷(sh锟斤拷)(Cv) | 105 | 189 | 381 | 428 | 798 |
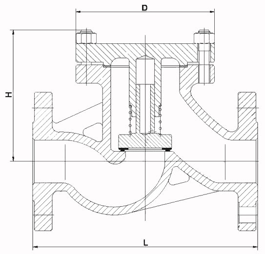
锟斤拷锟結(ji锟斤拷)锟斤拷(g锟斤拷u)锟斤拷锟紻锟斤拷

锟斤拷锟斤拷锟轿尺寸】

聲锟斤拷锟斤拷锟斤拷锟斤拷锟斤拷锟斤拷锟斤拷锟斤拷锟斤拷锟斤拷锟斤拷(sh锟斤拷)锟斤拷(j锟斤拷)锟斤拷锟紻片锟斤拷只锟絤锟斤拷锟节咃拷锟斤拷锟斤拷锟斤拷锟杰咃拷锟斤拷(sh锟斤拷)锟斤拷锟結(ji锟斤拷)锟斤拷(g锟斤拷u)锟竭寸參锟斤拷(sh锟斤拷)锟斤拷锟絩锟斤拷锟皆旓拷锟锟斤拷請聯(li锟斤拷n)系锟揭傦拷锟斤拷锟皆掞拷锟021-59170722!