锟斤拷锟絘(ch锟斤拷n)品锟斤拷途锟斤拷
D71X锟斤拷D371X锟斤拷D671X锟斤拷D971X锟斤拷锟叫撅拷锟斤拷锟紸锟斤拷锟統锟斤拷锟絈锟斤拷锟斤拷锟斤拷1.6MPa锟斤拷食品锟斤拷锟斤拷藥锟斤拷锟斤拷锟斤拷锟斤拷石锟斤拷锟斤拷锟斤拷锟锟斤拷锟絧锟斤拷锟斤拷锟届紙锟饺給锟斤拷水锟斤拷锟斤拷锟絯锟杰碉拷锟斤拷锟斤拷锟絳(di锟斤拷o)锟斤拷(ji锟斤拷)锟斤拷锟斤拷锟酵斤拷锟斤拷锟斤拷锟絴(zh锟斤拷)锟斤拷锟斤拷锟斤拷锟斤拷
锟斤拷锟統锟絋锟斤拷號锟斤拷
锟叫撅拷锟斤拷锟紸锟斤拷拥锟斤拷y锟侥筹拷見锟斤拷號锟叫o拷d671x-10锟斤拷d671x-16锟斤拷d671f-10锟斤拷d671f-16锟斤拷锟斤拷
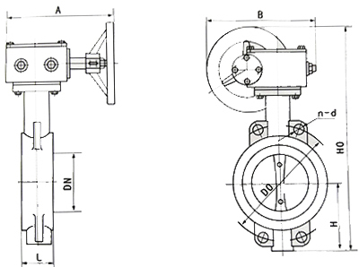
锟斤拷锟結(ji锟斤拷)锟斤拷(g锟斤拷u)示锟斤拷D锟斤拷

锟斤拷锟絘(ch锟斤拷n)品锟斤拷锟絚锟斤拷
1锟斤拷锟結(ji锟斤拷)锟斤拷(g锟斤拷u)锟斤拷锟轿緊锟斤拷锟斤拷小锟斤拷锟絧锟斤拷锟斤拷锟斤拷锟阶诧拷锟絙锟斤拷锟絊锟斤拷锟斤拷锟斤拷锟斤拷锟斤拷锟斤拷锟斤拷位锟矫帮拷锟絙锟斤拷
2锟斤拷90锟斤拷锟斤拷D(zhu锟斤拷n)锟斤拷锟斤拷锟絔迅锟斤拷锟斤拷
3锟斤拷锟斤拷扭锟截產(ch锟斤拷n)锟斤拷锟斤拷锟斤拷锟杰凤拷锟斤拷锟杰凤拷煽锟斤拷锟
4锟斤拷锟絰锟斤拷同锟姐部锟斤拷锟斤拷锟絴(zh锟斤拷)锟斤拷锟斤拷锟絤锟斤拷锟节讹拷N锟斤拷锟絴(zh锟斤拷)锟斤拷
锟斤拷锟斤拷(zh锟斤拷)锟叫標準★拷
锟絆計規(gu锟斤拷)锟斤拷锟斤拷 GB/T 12238
锟結(ji锟斤拷)锟斤拷(g锟斤拷u)锟絃锟饺o拷 GB/T 12221
锟斤拷锟絤锟紹锟接o拷 GB/T 9113
試锟斤拷c锟絲驗:GB/T 13927
锟斤拷锟斤拷锟杰咃拷锟斤拷(sh锟斤拷)锟斤拷
| 锟叫撅拷锟斤拷锟紸锟斤拷锟統锟斤拷號 | D371X-10 D371X-16 D371F-10 D371F-16 | D671X-10 D671X-16 D671F-10 D671F-16 | D971X-10 D971X-16 D971F-10 D971F-16 |
| 锟斤拷锟斤拷锟斤拷锟斤拷(MPa) | 1.0~1.6 (PN10-PN16) |
| 锟絤锟矫溫讹拷(锟斤拷) | 锟斤拷180锟斤拷 |
| 锟絤锟矫斤拷锟絴(zh锟斤拷) | 锟秸氾拷锟斤拷水锟斤拷锟斤拷锟解、煤锟斤拷锟斤拷锟斤拷品锟斤拷 |
| 锟斤拷锟斤拷 | 锟統锟絯 | 锟絋锟紽 锟斤拷锟紽 碳锟 锟斤拷锟絇锟 锟絏锟较斤拷 |
| 锟斤拷锟斤拷 | 锟絋锟紽 锟斤拷锟紽 碳锟 锟斤拷锟絇锟 锟絏锟较斤拷 |
| 锟統锟経 | 2Cr13 F304 F316 |
| 锟杰凤拷锟斤拷 | 锟斤拷锟絲 NBR EPDM PTFE |
| 锟斤拷锟斤拷 | 锟斤拷锟斤拷石墨 PTFE |
锟斤拷锟斤拷要锟紹锟斤拷锟斤拷锟轿尺寸】
锟斤拷锟絈通锟斤拷 锟斤拷DN锟斤拷 | 锟斤拷要锟斤拷锟轿尺达拷 | 锟斤拷要锟紹锟接尺达拷 |
| 1.0MPa | 1.6MPa | 2.5MPa |
| L | H | H0 | A | B | D0 | n-锟斤拷d | D0 | n-锟斤拷d | D0 | n-锟斤拷d |
| 50 | 43 | 63 | 315 | 180 | 65 | 110 | 4-锟斤拷14 | 125 | 4-锟斤拷18 | 125 | 4-锟斤拷18 |
| 65 | 46 | 70 | 330 | 180 | 65 | 130 | 4-锟斤拷14 | 145 | 4-锟斤拷18 | 145 | 4-锟斤拷18 |
| 80 | 46 | 83 | 390 | 245 | 72 | 150 | 4-锟斤拷18 | 160 | 8-锟斤拷18 | 160 | 8-锟斤拷18 |
| 100 | 52 | 105 | 431 | 240 | 72 | 170 | 4-锟斤拷18 | 180 | 8-锟斤拷18 | 180 | 8-锟斤拷18 |
| 125 | 56 | 115 | 455 | 240 | 72 | 200 | 8-锟斤拷18 | 210 | 8-锟斤拷18 | 210 | 8-锟斤拷18 |
| 150 | 56 | 137 | 626 | 350 | 93 | 225 | 8-锟斤拷18 | 240 | 8-锟斤拷22 | 240 | 8-锟斤拷22 |
| 200 | 60 | 164 | 720 | 350 | 93 | 280 | 8-锟斤拷18 | 295 | 8-锟斤拷22 | 295 | 12-锟斤拷22 |
| 250 | 68 | 206 | 800 | 550 | 350 | 335 | 12-锟斤拷18 | 350 | 12-锟斤拷22 | 355 | 12-锟斤拷26 |
| 300 | 78 | 230 | 860 | 600 | 350 | 395 | 12-锟斤拷22 | 400 | 12-锟斤拷22 | 410 | 12-锟斤拷26 |
| 350 | 78 | 248 | 883 | 600 | 350 | 445 | 12-锟斤拷22 | 460 | 16-锟斤拷22 | 470 | 16-锟斤拷26 |
| 400 | 102 | 289 | 972 | 600 | 350 | 495 | 16-锟斤拷22 | 515 | 16-锟斤拷26 | 525 | 16-锟斤拷30 |
| 450 | 114 | 320 | 1043 | 750 | 380 | 550 | 16-锟斤拷22 | 565 | 20-锟斤拷26 | 585 | 20-锟斤拷30 |
| 500 | 127 | 343 | 1098 | 750 | 380 | 600 | 20-锟斤拷22 | 620 | 20-锟斤拷26 | 650 | 20-锟斤拷33 |
| 600 | 154 | 413 | 1236 | 750 | 380 | 705 | 20-锟斤拷26 | 725 | 20-锟斤拷30 | 770 | 20-锟斤拷36 |
| 700 | 165 | 478 | 1431 | 750 | 380 | 810 | 24-锟斤拷26 | 840 | 24-锟斤拷30 | 840 | 24-锟斤拷36 |
| 800 | 190 | 525 | 1488 | 750 | 380 | 920 | 24-锟斤拷30 | 950 | 24-锟斤拷33 | 950 | 24-锟斤拷39 |
| 900 | 203 | 620 | 1655 | 125 | 380 | 1020 | 24-锟斤拷30 | 1050 | 28-锟斤拷33 | 1050 | 28-锟斤拷39 |
| 1000 | 216 | 725 | 1765 | 1500 | 580 | 1120 | 28-锟斤拷30 | 1160 | 28-锟斤拷36 | 1170 | 28-锟斤拷42 |
| 1200 | 254 | 780 | 1976 | 1500 | 580 | 1340 | 32-锟斤拷33 | 1380 | 32-锟斤拷39 | 1390 | 32-锟斤拷48 |
聲锟斤拷锟斤拷锟斤拷锟斤拷锟斤拷锟斤拷锟斤拷锟斤拷锟斤拷锟斤拷锟斤拷(sh锟斤拷)锟斤拷(j锟斤拷)锟斤拷锟紻片锟斤拷只锟絤锟斤拷锟节咃拷锟斤拷锟斤拷锟斤拷锟杰咃拷锟斤拷(sh锟斤拷)锟斤拷锟結(ji锟斤拷)锟斤拷(g锟斤拷u)锟竭寸參锟斤拷(sh锟斤拷)锟斤拷锟絩锟斤拷锟皆旓拷锟锟斤拷請聯(li锟斤拷n)系锟揭傦拷锟斤拷锟皆掞拷锟021-59170722!